
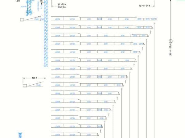
Comansa 11CM160 Load Chart PDF + Specifications
The 16CM160 flat-top model has a maximum load of 8 tonnes and 65 metres of reach. Like the other cranes in the series, its versatile jib design enables multiple configurations to best adapt the crane to the requirements of each project.
The 37 kW hoist motor in the 11CM160, with frequency control, can reach hoist speeds of up to 114 metres per minute. This speed, together with a drum that holds 620 metres of hoist cable, means that the 11CM160 can offer great performance working at heights of 310 metres with single reeving, and 155 metres with double reeving.
The 11CM160 shares numerous jib and counter-jib parts with the 11CM132. Both models feature European design and are distributed in Asia, Oceania, Africa, the Middle East and South America.
Download Load Chart Here
*Crane Specifications, Load Charts, and Crane Manuals are for reference only.
Contact the crane manufacturer for manuals to operate the crane properly.



Reviews
There are no reviews yet.